Archivo de la etiqueta: Eugenio Mendoza Goiticoa

1958• Se crea la Fundación Vivienda Popular

1958• Don Eugenio Mendoza (1906-1919) crea, conjuntamente con más de 100 instituciones, empresas y personalidades, la Fundación Vivienda Popular, entidad privada, sin fines de lucro para contribuir a resolver el problema de la vivienda de bajo costo.
Esta organización fue galardonada con el Premio Nacional del Hábitat en el 1996 otorgado por el Consejo Nacional de la Vivienda y un año después, en 1997, obtiene el Primer Lugar -Premio ONU- Banco Mundial. Alianza para la Reducción de la Pobreza.

HVH

ALGO MÁS SOBRE LA POSTAL Nº 331

Considerado como el material que más ha sido utilizado por la industria de la construcción en nuestro país, el cemento tiene, además, una larga data como insumo empleado por el hombre a efectos de conformar su hábitat.

De acuerdo a Wikipedia:El cemento es un conglomerante formado a partir de una mezcla de caliza y arcilla calcinadas y posteriormente molidas, que tiene la propiedad de endurecerse después de ponerse en contacto con el agua. El producto resultante de la molienda de estas rocas es llamado clinker y se convierte en cemento cuando se le agrega una pequeña cantidad de yeso para evitar la contracción de la mezcla al fraguar cuando se le añade agua y endurecerse posteriormente. Mezclado con agregados pétreos (grava y arena) y agua, crea una mezcla uniforme, maleable y plástica que fragua y se endurece, adquiriendo consistencia pétrea, denominada concreto u hormigón”. Y se añade en otro momento: “Se pueden establecer dos tipos básicos de cemento: 1) de origen arcilloso: obtenidos a partir de arcilla y piedra caliza en proporción 1 a 4 aproximadamente; 2) de origen puzolánico: la puzolana del cemento puede ser de origen orgánico o volcánico. (…) Puesto que la composición química de los cementos es compleja, se utilizan terminologías específicas para definir las composiciones”.

1. Obras de la antigüedad donde se hizo uso del cemento. Izquierda: Panteón de Agripa, Roma (127 dC). Derecha arriba: Esfinge de Guiza y pirámide de Micerinos, Egipto (c.s. XXVI aC); Derecha abajo: Coliseo, Roma (82 dC)

Aunque se tienen registros que se remontan al año 6000 aC donde se señala su uso incipiente, que en 5600 aC se ha detectado la construcción más antigua en el que se hace presente en el suelo de una cabaña en Lepensky Vir, Serbia, y que los egipcios al construir sus colosales obras 2600 años antes de Cristo emplearon un mortero (mezcla de arena con materia cementosa) para unir bloques de piedra, es en el 450aC cuando los constructores griegos descubrieron que ciertos materiales procedentes de depósitos volcánicos, mezclados con caliza, arena y agua, producían un aglomerante de gran fuerza, capaz de resistir la acción del agua dulce y salada. En todo caso, serán los romanos en los albores de la era cristiana los que perfeccionen su uso empleándolo para la realización de importantes obras civiles y edificios públicos entre los que destacan el Coliseo (82 dC) y el Panteón (127 dC).

Con el valioso apoyo de http://www.cehopu.cedex.es/hormigon/temas/C32.php?id_tema=75 hemos sabido que el cemento tal y como lo conocemos hoy en día tiene como primer antecedente el año 1759 cuando el ingeniero inglés John Smeaton desarrolló un nuevo mortero para unir los bloques de piedra del faro de Eddystone. Al cabo de pocos años, en 1796 el empresario James Parker registró la patente de una clase particular de cal hidráulica, obtenida a partir de piedra de la isla de Sheppy, a la que llamó “cemento romano”. El conglomerante que obtuvo fue muy celebrado, generalizándose su empleo en Gran Bretaña.

2. Tres personajes claves dentro de la historia del cemento. De izquierda a derecha: John Smeaton (1724-1792), William Aspdin Radford (1815-1864) e Isaac Charles Johnson (1811-1911).

Ya en el siglo XIX, en 1812 a raíz de las obras del puente de Souillac en Dordogne, el ingeniero Louis Joseph Vicat empezó a estudiar las cales naturales de la zona, identificando sus componentes y clasificándolas según su «hidraulicidad». A partir de ello, en 1818 enunció el principio de la fabricación del cemento hidráulico artificial, sobre el que siguió trabajando el resto de su vida, identificando los mejores yacimientos de cales y cementos de Francia.

Más adelante, en 1824 el empresario ladrillero de Leeds Joseph Aspdin, tras años de experimentación con mezclas de caliza y arcilla, consiguió fabricar el primer cemento artificial, que patentó ese mismo año. Lo llamó “cemento Portland”, pretendiendo asociarlo a la afamada piedra de esta península inglesa. Fue su hijo William Aspdin quien desarrolló el negocio del Portland, que empezó a comercializar.

Entre 1830 y 1850 se da el primer desarrollo en Francia de la industria del cemento natural de la mano, por un lado, de Honoré Gariel y François Garnier y, por el otro, de Joseph Auguste Pavin de Lafarge.

La patente superioridad del Portland sobre todos los cementos naturales tiene gran repercusión en 1838 cuando en una de sus primeras aplicaciones el ingeniero Isambard K. Brunel lo utiliza durante las obras de un túnel bajo el Támesis.

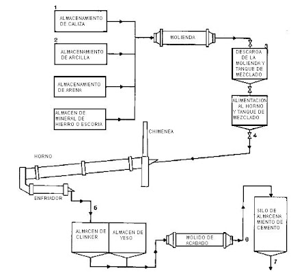
3. Esquema del proceso de fabricación del cemento Portland, mostrando los posibles puntos de control de calidad, en los cuales el productor extrae muestras.

Por su parte, Isaac Charles Johnson en 1844 obtuvo por primera vez el clínker, la base del cemento artificial moderno. Del análisis de la mezcla de cal y arcilla rica en sílice que componía el Portland y el de sus diferentes grados de cocción, concluyó que la mezcla debía calcinarse hasta alcanzar su vitrificación parcial y así obtuvo el clinker. Fue un paso más en la producción a gran escala que pronto haría de la industria del cemento artificial uno de los pilares de la Revolución Industrial.

“En el siglo XX -señalará Wikipedia- se da el auge y generalización de la industria del cemento, debido a los experimentos de los químicos franceses Vicat y Le Chatelier y el alemán Michaélis, que logran un cemento de calidad homogénea; la invención del horno rotatorio para calcinación y el molino tubular y los métodos de transportar hormigón fresco fueron ideados por Juergen Heinrich Magens, que los patenta entre 1903 y 1907”.

4. La Fábrica de Cementos La Vega (Caracas) de la Compañía Anónima Fábrica Nacional de Cementos (FNC) inicia operaciones en 1909.

En Venezuela, en fechas tan tempranas como el 23 de noviembre de 1907, con la finalidad de suplir un insumo que era hasta entonces importado, fue fundada por el ingeniero Alberto Smith la Compañía Anónima Fábrica Nacional de Cementos (FNC), la cual inició sus operaciones en 1909 en la pequeña población de La Vega al oeste de Caracas, cuando la capital de Venezuela apenas comenzaba su desarrollo urbanístico, con una producción de 50 sacos diarios. Para 1916, Carlos Delfino adquirió el 75% del capital e impulsó la fabricación con la moderna tecnología del momento saliendo de allí los insumos para la construcción de importantes edificaciones nacionales de las primeras 4 décadas del siglo XX. De acuerdo a lo contenido en el portal http://www.fnc.com.ve “en noviembre de 1944, se funda la Compañía Anónima Cementos Táchira, hoy conocida como Planta Táchira. Por su parte, los trabajos de construcción de la Planta Ocumare del Tuy -otro pilar fundamental de FNC- se iniciaron a finales de la década del sesenta, fábrica que entró en plena operación el primero de julio de 1970”. En 1994, el Grupo Lafarge adquiere la mayoría de los activos de Cementos La Vega, Cementos Táchira y Planta Ocumare, y posteriormente compró Premex (ahora División Concretos y Agregados), productora y comercializadora de agregados y concreto premezclado.

Otra importante empresa dedicada a la producción de cemento en el país será Cementos Carabobo cuyo inicio data de 1940 con la explotación de canteras ubicadas en la ciudad de Valencia. Dos décadas más tarde, por razones de mercado, decidió fusionarse con su competidora Cementos Coro, lo que dio paso a una nueva empresa llamada Consolidada de Cementos (Conceca). De forma independiente, en 1970, se fundó otra compañía en este sector: Cementos Caribe de la que Holcim compró acciones en 1978. La empresa suiza se dio tiempo para conocer el mercado y cuando en 1993 se presentó la oportunidad de una fusión entre Conceca y Caribe, anunció su interés por convertirse en el accionista mayoritario del nuevo grupo haciéndose con el 99,9% de los títulos.

5. Arriba: Vista general del complejo cementero de Pertigalete, Guanta, estado Anzoátegui de la C.A. Venezolana de Cementos cuya primera etapa inició operaciones en 1949. Abajo: Planta de Pertigalete II inaugurada en 1973.

Pero la más poderosa e importante industria cementera del país sería creada el 23 de septiembre de 1943 por un grupo de empresarios venezolanos encabezados por Eugenio Mendoza Goiticoa: C.A. Venezolana de Cementos (Vencemos). Este consorcio pondría en funcionamiento en 1945 Planta Lara en la ciudad de Barquisimeto, con una capacidad instalada de clínker de 15.000 toneladas métricas anuales. En 1947 se inaugura Planta Mara, ubicada en Maracaibo, estado Zulia, con una capacidad instalada de clínker de 100.000 toneladas métricas anuales. En 1949 comienza operaciones Planta Pertigalete I en Guanta, estado Anzoátegui, con una capacidad instalada de clínker de 100.000 toneladas métricas anuales, que luego de la adquisición en 1951 de los yacimientos de yeso de Macuro y tras recibir desde allí en 1955 el primer embarque de ese material, a partir de 1956 potenciará su capacidad para producir nuevos derivados para la construcción.

El crecimiento de C.A. Venezolana de Cementos se verá reflejado en la ampliación de la planta de Pertigalete (1958) y de sus muelles para buques de gran calado (1963); ampliación de la planta de Barquisimeto (1959 y 1966); inauguración de la Planta Pertigalete II (1973, con ampliación en 1990); ampliación de la planta de Maracaibo (1977); y en la puesta en marcha las nuevas plantas de autogeneración eléctrica en Planta Mara y Planta Pertigalete (1979).

Además, de las instalaciones de Vencemos salió el todo el material con el que se construyeron dos de las obras de ingeniería más importantes del país: el Puente “Rafael Urdaneta” sobre el Lago de Maracaibo (inaugurado en 1962) y el “Complejo Hidroeléctrico Raúl Leoni” (hoy Simón Bolívar) en Guri cuyo suministro de cemento concluye en 1986. También de dichas plantas salía el material que era distribuido y comercializado en todo el país por Materiales Mendoza y el que era utilizado en otras tres empresas creadas por Don Eugenio vinculadas a la industria de la construcción: la Compañía Mezcladora C.A., denominada luego Mezcladora Mixto Listo Consolidada (fundada en 1948), la empresa Viviendas Populares, S.A. (VIPOSA) -de 1966- y la C.A. Agregados Livianos de 1969.

En 1994 Vencemos se convierte en filial de la mexicana Cemex.

6. El Puente “Rafael Urdaneta” sobre el Lago de Maracaibo (inaugurado en 1962) y el “Complejo Hidroeléctrico Raúl Leoni” en Guri (finalizado en 1986), dos grandes obras realizadas con materia prima proveniente de la C.A. Venezolana de Cementos.

La fuerza del emprendimiento privado en materia de cemento que tuvo sus inicios, como hemos visto, en 1907, pasó primero por un proceso de apertura y transnacionalización (1989-1993) donde las empresas Holcim, Lafarge y Cemex, como también hemos señalado, adquieren a Consolidada de Cementos, Fábrica Nacional de Cementos y Vencemos, lo que implicó modernización tecnológica e incremento de la eficiencia productiva de todas ellas.

Más tarde, en 2008, se produjo un segundo punto de quiebre cuando desde la jefatura de Estado se plantea la necesidad estratégica de nacionalizar la industria del cemento. Así, el 18 de junio, con la publicación en Gaceta Oficial N°5.886 del Decreto con Rango, Valor y Fuerza de Ley Orgánica de las Empresas Productoras de Cemento, se declararon de utilidad pública y de interés social las compañías cementeras Cemex, Holcim y Lafarge, por cumplir actividades estratégicas para el desarrollo de la Nación. Las empresas fueron expropiadas y ocupadas. Cemex, particularmente, pasará en 2013 a denominarse de nuevo Venezolana de Cementos S.A., en 2014 se reformará totalmente el documento constitutivo de la empresa y en 2015 cambiará su figura jurídica de empresa privada a institución del Estado.

Nuestra postal del día de hoy recoge una propaganda publicitaria aparecida en la revista venezolana de arquitectura Integral nº10-11, donde la C.A. Venezolana de Cementos promociona la “novedosa” producción del cemento blanco “Vencemos” en el país que se había iniciado en 1957 en su planta ubicada en Barquisimeto, estado Lara.

El cemento blanco debe su color a la ausencia casi total de los óxidos férricos que son los responsables del color gris oscuro del cemento Portland tradicional. Para sustituir a los óxidos férricos se añade alguno de estos óxidos: de calcio, criolita o de fluorita. Es un material ideal para trabajos donde se requiera un acabado pulido sin tener que renunciar a la resistencia; tiene, además, aplicaciones estructurales y decorativas. En pocas palabras, el cemento blanco es cemento Portland con blancura mayor al 85%.

7. En 1966 la C. A. Venezolana de Cementos (VENCEMOS), construye un hiperboloide de revolución como cubierta de su pabellón en la Exposición Nacional de Industrias. La estructura de concreto armado fue construida utilizando cemento blanco. Al término de la exposición el pabellón fue demolido.

Para finalizar, vale la pena recordar que la evolución y perfeccionamiento en la producción de cemento está absolutamente ligada desde el siglo XIX a un compuesto del cual es parte fundamental: el concreto armado, hormigón armado o ferrocemento. Si bien durante todo aquel siglo, sobre todo en Inglaterra y Francia, se dan varios estudios encaminados a descubrir el secreto de los hormigones romanos, y se tiene registro de experiencias pioneras ya en 1848, se ha establecido el año 1910 como el momento a partir del cual se entra de pleno derecho en la denominada etapa clásica del hormigón armado.

Como se sabe, el hormigón puede asimilarse a una piedra, aunque de origen artificial. Como ella, es capaz de soportar grandes cargas de compresión; pero si bien tiene esta remarcable virtud, su resistencia a la tracción es en cambio muy limitada. Será el acero quien compense esta falla y permita la obtención de un tercer material producto de otros dos que trabajan conjuntamente.

En Venezuela el cemento y el hormigón podría decirse que son los reyes de los materiales de construcción en virtud de la generalización de su uso a toda escala y nivel. Son, además, en gran medida responsables, debido a su correcto empleo por parte de los profesionales ligados a la realización de obras civiles y desarrollo de una mano de obra diestra en su realización, de estar presentes en la mejor arquitectura del país.

ACA

Procedencia de las imágenes

1 y 6. Colección Fundación Arquitectura y Ciudad.

2. https://es.wikipedia.org/wiki/John_Smeaton, https://en.wikipedia.org/wiki/William_Aspdin y https://vitruvius.com.br/revistas/read/arquitextos/03.028/748

3. https://victoryepes.blogs.upv.es/2015/05/23/fabricacion-del-cemento/

4. https://www.facebook.com/Arquitecturavzl/photos/fabrica-de-cementos-la-vegael-23-de-noviembre-de-1907-fue-fundada-la-compa%C3%B1%C3%ADa-an/2324827707732561/

5. http://www.venceremos.com.ve/en_2012_planta_pertigalete_alcanzo_mayor_produccion y Colección Crono Arquitectura Venezuela

7. Colección Crono Arquitectura Venezuela.

1959• Fábrica de Alimentos Concentrados Protinal, Valencia, estado Carabobo

Fabrica Protinal.jpg

1959•  Luego de dos años de construcción la empresa Guinand & Brillembourg concluye la Fábrica de Alimentos Concentrados Protinal, ubicada en Calle Chicago, Valencia, estado Carabobo, en un terreno próximo a donde años después se ubicó la llamada Redoma de San Blas.
Protinal Proagro es pionera al iniciar en el país la producción de alimentos balanceados para animales en 1942. El impulso de esta empresa a la actividad agrícola, avícola y pecuaria la convierten en un punto de referencia en el desarrollo del campo venezolano.
La empresa Protinal, compañía de alimentos concentrados para animales, había sido creada en el año 1942 por los hermanos Eugenio Mendoza Goiticoa (1906-1979), empresario, y Eduardo Mendoza Goiticoa (1917-2009), ingeniero agrónomo graduado en la Universidad de La Plata, Argentina, quien fue designado en 1945 Ministro de Agricultura y Cría por la Junta Revolucionaria de Gobierno presidida por Rómulo Betancourt (el ministro más joven de la historia de Venezuela con sólo 28 años)
En el año 2012, al cumplir 70 años de operaciones Protinal-Proagro (empresa asociada) tenía en funcionamiento en el país 61 centros operativos en 14 estados, generando 5.450 empleos directos y 52.630 indirectos.

HVH